品牌:德苏
型号:无
规格:无
起订:1普通
供应:1普通
发货:3天内
发送询价
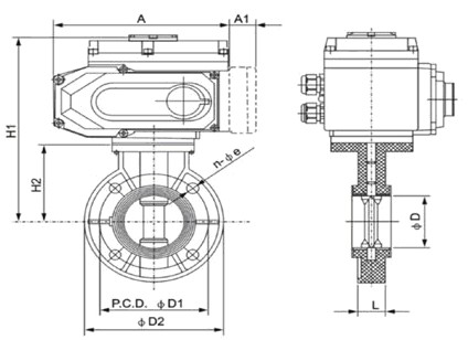
产品性能及作用:
电动蝶阀采用一体化结构,接入220VAC电源即可控制运转,也可加入控制模块,输入控制信号(4-20mADC或1-5VDC)进行调节控制。具有功能强,体积小,轻便宜人,性能可靠,配套简单元,流通能力大,对常温、干净介质,可选用阀板加软密封(橡胶圈、四氟圈)来减少泄漏(可达0.01%),高温高压工况可选用三偏心硬密封阀体。订货时要予以注明即可。它可广泛应用于食品,环保,轻工,石油,化工,教学设备,造纸,电力等到行业的工业过程自动控制系统中。 包装:
本产品经严格测试打压包装上箱。
售后服务:
我们保证提供全新的无缺陷的产品,同时提供有关产品的相关图纸和其他技术文件,在货物抵达工地后,将同时派出技术人员到现场,保证用户在使用过程中,无后顾之忧。我厂产品质保期为自出厂起 12 个月,实行“三包”服务(包退、包换、包修)。产品在使用中我厂定期跟踪进行访问使用情况,让产品更好的投入使用。让用户更放心。
