品牌:悦诚
型号:无
规格:无
起订:1普通
供应:1普通
发货:3天内
发送询价
	用途:本设备适用于中草药的有效成份及芳香油的提取浓缩同时回收溶剂,特别适合医院、大中院校、科研单位进行小试、中试或小规模生产。
	特点:
	a.提取浓缩安装成一体机,操作方便灵活,设备内外精密抛光,符合GMP要求。
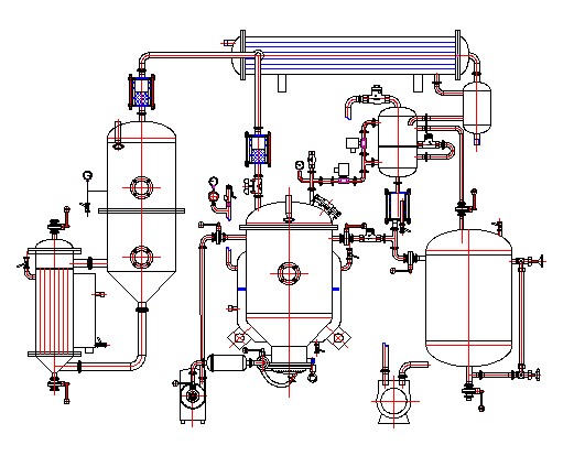
	b.设备主要由提取罐、消泡器、冷凝器、冷却器、油水分离器、过滤器、浓缩罐、溶剂回收罐等组成。
	c.设备管道安装特殊,一台设备多种操作方法,可完成多种生产工艺的试验,它是由我公司科技人员多年潜心研究开发而成。
	d. 可根据需要装备搅拌装置。
	e.根据客户需要可以提供手动、自动、半自动三种形式,加热可配置电、蒸两用。
	一、小型提取浓缩机组概述
	杭州圣亚小型多功能提取浓缩机组是自行研究开发的新产品,它集多功能提取、真空浓缩与溶剂回收为一体,简化了操作程序。
	在医院、药厂、食品行业对中草药液、果汁等物质的提取、浓缩以及有机溶媒的回收。
	还可用于高等院校、科研机构、医院等作为新药提取、新工艺技术参数的确定、中间试验、新品种研制、贵重药材提取、挥发油回收和药液浓缩之用。
	二、小型提取浓缩机组组成和结构
	1、机组由提取罐、列管式加热器、蒸发器、冷凝器、油分器、收油器、药液泵、计量槽、贮液罐、过滤器、真空泵、配电柜等组成。提取罐、蒸发器顶蒸汽出口均设备了除沫器。无蒸汽加热的单位,可加配导热油加热系统。
	2、可进行热回流循环提取、浓缩,常规提取、浓缩、水沉(醇沉)、渗漉等操作。
	3、能在负压、常压、正压状态下工作。可适应水提、醇提或溶剂提取,符合制药GMP和食品HACCP要求。水提低温可达40℃,适合低温鲜品提取浓缩。
	三、小型提取浓缩机组特点
	▲小型多功能提取浓缩机组功能齐全,可获得全系统真空,可满足提取挥发油、水提、醇提、动物内脏提取、分次提取、热(温)回流提取等11种提取要求;
	▲提取液可浓缩、可收膏,有机溶媒可回收;
	▲小型多功能提取浓缩机组在浓缩系统上采用了特殊结构,使产品最终比重可达到1.4,且排料畅通;
	▲具有较高的自动化控制程度,且操作方便、数据采集准确可靠;
	▲设备配备合理、紧凑、外型小巧美观,符合实验室条件下使用要求,便于操作、维护;
	▲提取浓缩机组浓缩系统与药接触部位采用了304材料制造,加热室为内抛光卫生管,符合国家药品监督管理局关于《药品生产质量管理规范》中有关设备条文的要求及国家相关标准的要求。


