润滑油
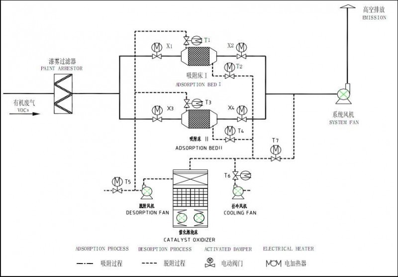
有机废气催化燃烧设备
2013-05-11 17:14 浏览:
261
价格:
¥0.00
/普通
品牌:万强
型号:无
规格:无
起订:1普通
供应:1普通
发货:3天内
发送询价
联系方式
公司:
福建万强环保工程有限公司
状态:
离线
发送信件
在线交谈
姓名:张经理(先生)
职位:工程部经理
电话:
0592-5553088
手机:
13606019500
传真:0592-86
地区:福建-厦门市
地址:
思明区湖滨南路819号宝福大厦18A
邮编:361004
邮件:
fjwqhbwl@163.com
QQ:
328607567
发表评论
0评
网站首页
企业展示
品牌推广
个人中心